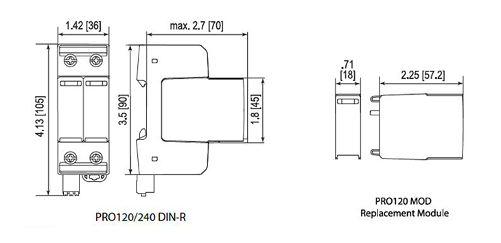
PRO120 240 DIN-R

For more details call:
1-800-547-4868

Description

The PRO120/240 DIN-R is your best option for protecting incoming AC lines in Intelligent Transportation Systems applications. The unit offers 100kA protection and low voltage protection ratings. The din rail packaging and replaceble modules save space and create a surge protector that is truly effcient to install and service.

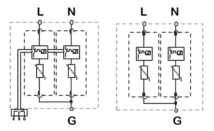
The unit also incorporates the use of warning/failure indicators in addition to remote sensing for monitoring by a central computer. If random data base memory loss or any other transient interference is affecting the safe operation of one or more of your intersections, the PRO120/240 DIN-R surge protector will quickly and effectively eliminate the problem.
PRO120 MOD
Replacement Module


Download Specifications Sheet (PDF}

Specifications

Maximum Surge Current Rating 50kA per Mode / 100kA per Phase
UL Type Designation Type 1 and 2
UL 1449 I-nominal Rating 20kA
UL 1449 Short Circuit Current Rating 200kA
Repetitive Impulse 10,000 hits per mode
Response Time <1 ns
Humidity Range 5-95% non-condensing
Operating Frequency 0-600 Hz
Operating Temperature -40°C to 85°C
Typical Connection #2 AWG Solid / 4 AWG Flexible
Remote Monitoring AC 250V/1A, 125V/1A DC 48V/0.5A, 24V/0.5A, 12V/0.5A

Features

  • 50kA per Mode / 100kA per Phase
  • UL 1449 Listed, 4th Edition
  • Low Voltage Protection Ratings
  • 100kA Max Discharge Current
  • 200kA SCCR
  • Remote Monitoring

Dimensions

Wiring Configurations